"Precision CNC Components. Built for Your Machine's Peak Performance."

Lead Screw Support Units – Round, Support Side
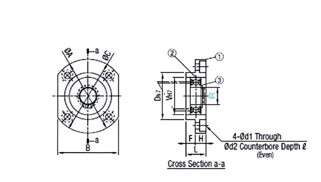
PRODUCT PARAMETERS
Round Support Side Lead Screw Support Units | Precision Linear Motion Bearings
Precision-engineered round lead screw support units (support side) deliver stable, low-friction support for lead screw systems, ideal for CNC machines, 3D printers, and industrial automation. Pre-assembled with high-precision ball bearings in a robust housing, they minimize backlash, ensure smooth rotation, and maintain alignment for accurate linear movement.
Description
FAQs
Request A Quote
Description





30° Trapezoidal Lead Screw-Specific Structure
It perfectly matches the mechanical characteristics of 30° trapezoidal screws, preventing backlash during reverse transmission.
Application Scenarios
- Automated linear stages and sliding tables
- CNC machine tools and machining centers
- 3D printers and additive manufacturing equipment
- Packaging machinery and conveyor systems
- Semiconductor equipment and electronic component machinery
- Testing instruments and precision measuring equipment
- All equipment requiring high-precision linear transmission and positioning
FAQs
What types of products can we offer?
Make amazing 60 degree bevel cuts with our 8-1/4 in. SKILSAW Worm Drive model SPT78W-01. This saw is powered by our largest 15 amp Dual-Field high torque motor so you will make the last cut as precisely as you did the first cut. Exclusive 60 degree bevel. High torque Dual-Field motor. Legendary SKILSAW durability. Includes: SPT78W 8-1/4 In. Worm Drive SKILSAW, 24 Tooth Carbide blade and multi-functional blade wrench.

What logistics do we ship through?
Can it be customized as per our requirements?

Make amazing 60-degree bevel cuts with our 8-1/4 in. SKIL Worm Drive Skilsaw model SPT78W-01. This Skilsaw is powered by our largest 15 amp Dual-Field™ high torque motor so you will make the last cut as precisely as you did the first cut. Exclusive 60-degree bevel. High torque Dual-Field™motor. Legendary SKIL durability.
What is our ordering process?
Shenguan is a direct seller of CATL, LISHEN, EVE, GOTION, Narada, TAFEL, CALB, REPT and other batteries. We have fresh stock, ready for shipment. Support ODM&OEM, please contact the store customer service to provide customized requirements.
What services are included in the after-sales service?
- This saw is powered by our largest 15 amp Dual-Field
- High torque motor so you will make the last cut as precisely as you did the first cut.
- Exclusive 60 degree bevel. High torque Dual-Field motor. Legendary SKILSAW durability.
- Includes: SPT78W 8-1/4 In. Worm Drive SKILSAW, 24 Tooth Carbide blade and multi-functional blade wrench.

















