"Precision CNC Components. Built for Your Machine's Peak Performance."

Linear Bearing Housing Unit – Standard Type
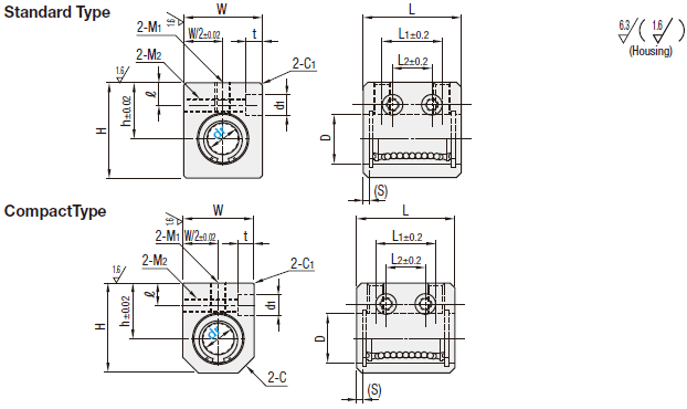
PRODUCT PARAMETERS
Linear Bearing Housing Unit – Standard Type|LM Bearing Mount|Linear Motion Support
A high‑precision linear bearing housing unit designed for stable support and smooth linear motion. Compatible with standard LM bearings, ideal for automation equipment, linear stages, and precision machinery.- Type: Standard Linear Bearing Housing
- Material: Aluminum Alloy / Steel
- Surface Treatment: Anodized (Aluminum) / Nickel‑Plated or Black Oxide (Steel)
- Mounting Type: Flange / Square / Pillow Block (based on your model)
- Compatible Bearings: LM6UU, LM8UU, LM10UU, LM12UU, LM16UU, LM20UU (select size)
- Precision: H7 / H8 bore tolerance
- Operating Temperature: -20°C to +120°C
- Application: Automation, linear motion systems, sliding mechanisms, jigs, and fixtures
Description
FAQs
Request A Quote
Description



Standardized Design – Compatible with most popular linear bearing sizes and brands.
Durable Construction – Aluminum or steel housing with anodized/nickel‑plated finish for corrosion resistance and long service life.
Easy Installation – Compact structure and clear mounting holes allow quick assembly.
Smooth Linear Motion – Precision‑machined bore ensures minimal clearance and stable movement.
Versatile Mounting – Suitable for vertical, horizontal, or custom installation orientations.
Applications
- Automation production
- lines Linear stages and sliding platforms
- CNC machine tools and accessories
- Measuring and testing equipment
- Material handling and conveyor systems
- Robotics and linear actuators
FAQs
What types of products can we offer?
Make amazing 60 degree bevel cuts with our 8-1/4 in. SKILSAW Worm Drive model SPT78W-01. This saw is powered by our largest 15 amp Dual-Field high torque motor so you will make the last cut as precisely as you did the first cut. Exclusive 60 degree bevel. High torque Dual-Field motor. Legendary SKILSAW durability. Includes: SPT78W 8-1/4 In. Worm Drive SKILSAW, 24 Tooth Carbide blade and multi-functional blade wrench.

What logistics do we ship through?
Can it be customized as per our requirements?

Make amazing 60-degree bevel cuts with our 8-1/4 in. SKIL Worm Drive Skilsaw model SPT78W-01. This Skilsaw is powered by our largest 15 amp Dual-Field™ high torque motor so you will make the last cut as precisely as you did the first cut. Exclusive 60-degree bevel. High torque Dual-Field™motor. Legendary SKIL durability.
What is our ordering process?
Shenguan is a direct seller of CATL, LISHEN, EVE, GOTION, Narada, TAFEL, CALB, REPT and other batteries. We have fresh stock, ready for shipment. Support ODM&OEM, please contact the store customer service to provide customized requirements.
What services are included in the after-sales service?
- This saw is powered by our largest 15 amp Dual-Field
- High torque motor so you will make the last cut as precisely as you did the first cut.
- Exclusive 60 degree bevel. High torque Dual-Field motor. Legendary SKILSAW durability.
- Includes: SPT78W 8-1/4 In. Worm Drive SKILSAW, 24 Tooth Carbide blade and multi-functional blade wrench.
















